產品編號:SIA…ES 25~160
滑動磨擦副:鋼/鋼
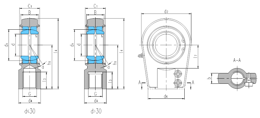
產品特點:帶鎖口桿端關節軸承由桿端體和向心關節軸承GE…ES組裝而成,用擋圈固定,d≤50,桿端體材料是碳鋼,d>50,桿端體材料是球墨鑄鐵,桿端體的內螺紋帶有鎖口,配有螺釘緊固;可通過油杯潤滑。
使用溫度范圍:-50℃~+150℃
軸 承 型 號 Bearing number | 外 形 尺 寸 Dimensions mm | 額定載荷 Load ratings kN | 鎖 緊 螺 釘 Screw | 重 量 Weight ≈kg | |||||||||||||||
d | B | dK | C1
| d2
| G 6H | h1 | l3
| l4
| l7
| d4
| d6
| b | rs
| α? ≈ | 動載荷 Dynamic | 靜載荷 Static | |||
SIA25ES | 25 | 20 | 35.5 | 23 | 56 | M18×2 | 65 | 30 | 95 | 29 | 28 | 48 | 21 | 0.6 | 7 | 48 | 72 | M8×20 | 0.62 |
SIA30ES | 30 | 22 | 40.7 | 28 | 64 | M24×2 | 75 | 35 | 109 | 34 | 34 | 56 | 26 | 0.6 | 6 | 62 | 106 | M8×25 | 0.88 |
SIA35ES | 35 | 25 | 47 | 30 | 78 | M30×2 | 90 | 46 | 132 | 40 | 45 | 65 | 28 | 0.6 | 6 | 79 | 153 | M10×30 | 1.52 |
SIA40ES | 40 | 28 | 53 | 35 | 94 | M39×3 | 105 | 56 | 155 | 44 | 56.5 | 77 | 33 | 0.6 | 7 | 99 | 250 | M12×35 | 2.43 |
SIA50ES | 50 | 35 | 66 | 40 | 116 | M50×3 | 135 | 76 | 198 | 55 | 70 | 88 | 36 | 0.6 | 6 | 156 | 365 | M12×35 | 4.75 |
SIA60ES | 60 | 44 | 80 | 50 | 130 | M64×3 | 170 | 96 | 240 | 65 | 87 | 118 | 46 | 1 | 6 | 245 | 400 | M16×45 | 8.55 |
SIA70ES | 70 | 49 | 92 | 55 | 154 | M80×3 | 195 | 112 | 277 | 75 | 110 | 128 | 51 | 1 | 6 | 313 | 540 | M16×50 | 12.24 |
SIA80ES | 80 | 55 | 105 | 60 | 176 | M90×3 | 210 | 122 | 305 | 80 | 128 | 156 | 55 | 1 | 6 | 400 | 670 | M20×55 | 18.35 |
SIA90ES | 90 | 60 | 115 | 65 | 210 | M100×3 | 250 | 142 | 365 | 90 | 152 | 167 | 60 | 1 | 5 | 488 | 980 | M20×60 | 31.56 |
SIA100ES | 100 | 70 | 130 | 70 | 230 | M110×4 | 275 | 150 | 400 | 105 | 170 | 171 | 65 | 1 | 7 | 607 | 1120 | M20×60 | 34 |
SIA110ES | 110 | 70 | 140 | 80 | 264 | M120×4 | 300 | 160 | 442 | 115 | 180 | 187 | 75 | 1 | 6 | 654 | 1700 | M24×75 | 44 |
SIA120ES | 120 | 85 | 160 | 90 | 340 | M150×4 | 360 | 192 | 540 | 140 | 210 | 240 | 85 | 1 | 6 | 950 | 2900 | M24×85 | 75 |
SIA140ES | 140 | 90 | 180 | 110 | 380 | M160×4 | 420 | 210 | 620 | 185 | 230 | 244 | 105 | 1 | 7 | 1070 | 3350 | M30×100 | 160 |
SIA160ES | 160 | 105 | 200 | 110 | 480 | M180×4 | 460 | 220 | 710 | 200 | 260 | 268 | 105 | 1 | 8 | 1360 | 4302 | M30×100 | 18 |
可裝自潤滑向心關節軸承。
若是左旋螺紋,軸承型號和螺紋標記需加“L”和“左”,例如:SILA40ES M39×3左-6H。
?