產品編號:SIRN…ES 20~120
滑動磨擦副:鋼/鋼
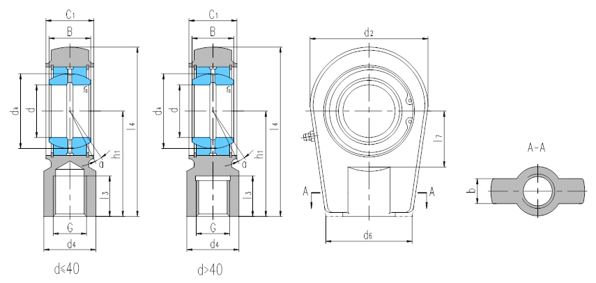
產品特點:帶鎖口桿端關節軸承由桿端體和向心關節軸承GE…ES組裝而成,用擋圈固定,d<60,桿端體材料是碳鋼,60≤d≤90,桿端體材料是碳鋼或球墨鑄鐵,d>90,桿端體材料是球墨鑄鐵,SIR…ES桿端體的內螺紋帶有鎖口,配有螺釘緊固;SIRN…ES桿端體無鎖緊螺釘,均可通過油杯潤滑。
使用溫度范圍:-50℃~+150℃
軸 承 型 號 Bearing number | 外 形 尺 寸 Dimensions mm | 額定載荷 Load ratings kN | 重 量 Weight ≈kg | |||||||||||||||
d | B | dK | C1
| d2
| G 6H | h1 | l3
| l4
| l7
| d4
| d6
| b | rs
| α? ≈ | 動載荷 Dynamic | 靜載荷 Static | ||
SIRN20ES | 20 | 16 | 29 | 19 | 56 | M16×1.5 | 50 | 17 | 80 | 25 | 25 | 46 | 20 | 0.3 | 9 | 30 | 81 | 0.44 |
SIRN25ES | 25 | 20 | 35.5 | 23 | 56 | M16×1.5 | 50 | 17 | 80 | 25 | 25 | 46 | 21 | 0.6 | 7 | 48 | 72 | 0.47 |
SIRN30ES | 30 | 22 | 40.7 | 28 | 64 | M22×1.5 | 60 | 23 | 94 | 30 | 32 | 50 | 26 | 0.6 | 6 | 62 | 106 | 0.77 |
SIRN35ES | 35 | 25 | 47 | 30 | 78 | M28×1.5 | 70 | 29 | 112 | 38 | 40 | 66 | 28 | 0.6 | 6 | 79 | 153 | 1.24 |
SIRN40ES | 40 | 28 | 53 | 35 | 94 | M35×1.5 | 85 | 36 | 135 | 45 | 49 | 76 | 33 | 0.6 | 7 | 99 | 250 | 2.12 |
SIRN50ES | 50 | 35 | 66 | 40 | 116 | M45×1.5 | 105 | 45 | 168 | 55 | 61 | 90 | 37 | 0.6 | 6 | 156 | 365 | 3.74 |
SIRN60ES | 60 | 44 | 80 | 50 | 130 | M58×1.5 | 130 | 59 | 200 | 65 | 75 | 120 | 46 | 1 | 6 | 245 | 400 | 6.49 |
SIRN60ES-D1) | ||||||||||||||||||
SIRN70ES | 70 | 49 | 92 | 55 | 154 | M65×1.5 | 150 | 66 | 232 | 75 | 86 | 130 | 51 | 1 | 6 | 313 | 540 | 9.88 |
SIRN70ES-D1) | ||||||||||||||||||
SIRN80ES | 80 | 55 | 105 | 60 | 176 | M80×2 | 170 | 81 | 265 | 80 | 105 | 160 | 55 | 1 | 6 | 400 | 670 | 14.2 |
SIRN80ES-D1) | ||||||||||||||||||
SIRN90ES | 90 | 60 | 115 | 65 | 206 | M100×2 | 210 | 101 | 323 | 90 | 124 | 180 | 60 | 1 | 5 | 488 | 980 | 23.5 |
SIRN90ES-D1) | ||||||||||||||||||
SIRN100ES | 100 | 70 | 130 | 70 | 231 | M110×2 | 235 | 111 | 360 | 105 | 138 | 200 | 65 | 1 | 7 | 607 | 1120 | 32.14 |
SIRN110ES | 110 | 70 | 140 | 80 | 266 | M120×3 | 265 | 125 | 407 | 115 | 152 | 220 | 74 | 1 | 6 | 654 | 1700 | 47.6 |
SIRN120ES | 120 | 85 | 160 | 90 | 340 | M130×3 | 310 | 135 | 490 | 140 | 172 | 257 | 84 | 1 | 6 | 950 | 2900 | 72 |
1)桿端體采用碳鋼鍛造。
可裝自潤滑向心關節軸承。
若是左旋螺紋,軸承型號和螺紋標記需加“L”和“左”,例如:SILRN40ES M35×1.5左-6H。

